产品规范 | |
主要零部件材料 |
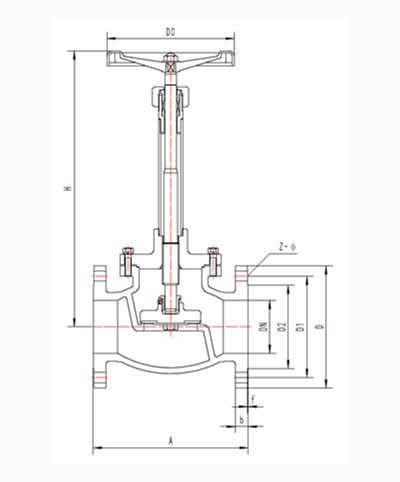
外型尺寸与连接尺寸
产品型号 | DJ41F-150LB低温截止阀 | 重量 (kg) | ||||||||||
产品代号 | 通径 DN(in) | 尺寸(mm) | ||||||||||
A | H1 | H2 | D | D1 | D2 | Z-Ф | b | f | D0 | |||
A22J65AB2A3 | 2-1/2 | 216 | 473 | 440 | 178 | 139.5 | 105 | 4-19 | 18 | 1.6 | 200 | 18.4 |
A22J80AB2A3 | 3 | 241 | 510 | 470 | 190 | 152.5 | 127 | 4-19 | 19 | 1.6 | 240 | 30.1 |
A22J100AB2A3 | 4 | 292 | 589 | 539 | 229 | 190.5 | 157 | 8-19 | 24 | 1.6 | 280 | 40.2 |
A22J125AB2A3 | 5 | 356 | 665 | 602 | 254 | 216 | 186 | 8-22 | 24 | 1.6 | 300 | 53.9 |
A22J150AB2A3 | 6 | 406 | 713 | 638 | 279 | 241.5 | 216 | 8-22 | 26 | 1.6 | 300 | 68.3 |
A22J200AB2A3 | 8 | 495 | 805 | 705 | 343 | 298.5 | 270 | 8-22 | 29 | 1.6 | 360 | 134.2 |
- 上一篇:DJ41F-150LB低温长轴截止阀
- 下一篇:DJ41F-150LB低温长轴截止阀




